Intellesis Segmentation
This module enables you to use machine-learning algorithms for segmenting images using pixel-classification. It uses different feature extractors to classify pixels inside an image based on the training data and the labeling provided by the user. There are a variety of use cases because the functionality itself is "data-agnostic", meaning it can be used basically with every kind of image data.
The module has the following main functionality:
- Any user can intuitively train a machine learning model to perform image segmentation without advanced training by simply labeling what shall be segmented.
- Import of any image format readable by the software, incl. CZI, OME-TIFF, TIFF, JPG, PNG and TXM (special import required).
- Creation of pre-defined image analysis settings (*.czias) using machine learning based segmentation that can be used inside the image analysis.
- Integration of the Intellesis Segmentation processing functionality into the OAD environment.
Application
Example:
XRM (X-Ray Microscopy) image from sandstone showing the main steps when working with the Intellesis Segmentation module.
|
|
|
|
|
|
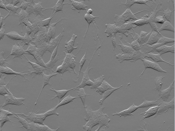
Application
Example:
Cells image with phase gradient contrast on the Celldiscoverer 7 and segmented using Intellesis Segmentation.
|
|
|
|
|
|
Note:
The training of Intellesis Segmentation models is CPU/GPU specific. A model trained on GPU only runs on a GPU machine. If a model trained on GPU is transferred to a CPU-only machine, the model has to be retrained to run on this machine.
Licensing and Functionalities of Intellesis Segmentation
Some functionality of Intellesis Segmentation is generally available, but the full functionality requires the AI Toolkit license.
Basic functionality
The general available functionality includes:
- Importing and exporting models.
- Managing the models, including renaming and deleting.
- Creating an analysis and multiphase analysis setting from your model.
- Running a segmentation with the Intellesis Segmentation tool on the Image Processing workbench or in OAD (if you have licensed the Developer Toolkit).
- Running a model as part of the image analysis or a Material App segmentation step, if you have the license for the 2D Toolkit or Material Apps Toolkit respectively.
Licensed functionality
If you have licensed this functionality and activated it under Maintenance > Toolkit Manager, the following additional functionality is available:
- Creating and training a new model.
- Retraining an existing model.
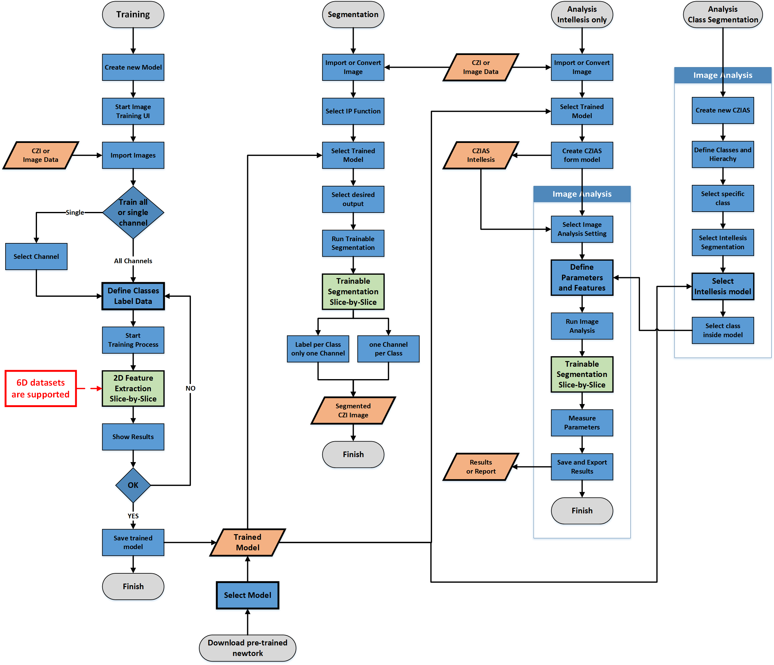
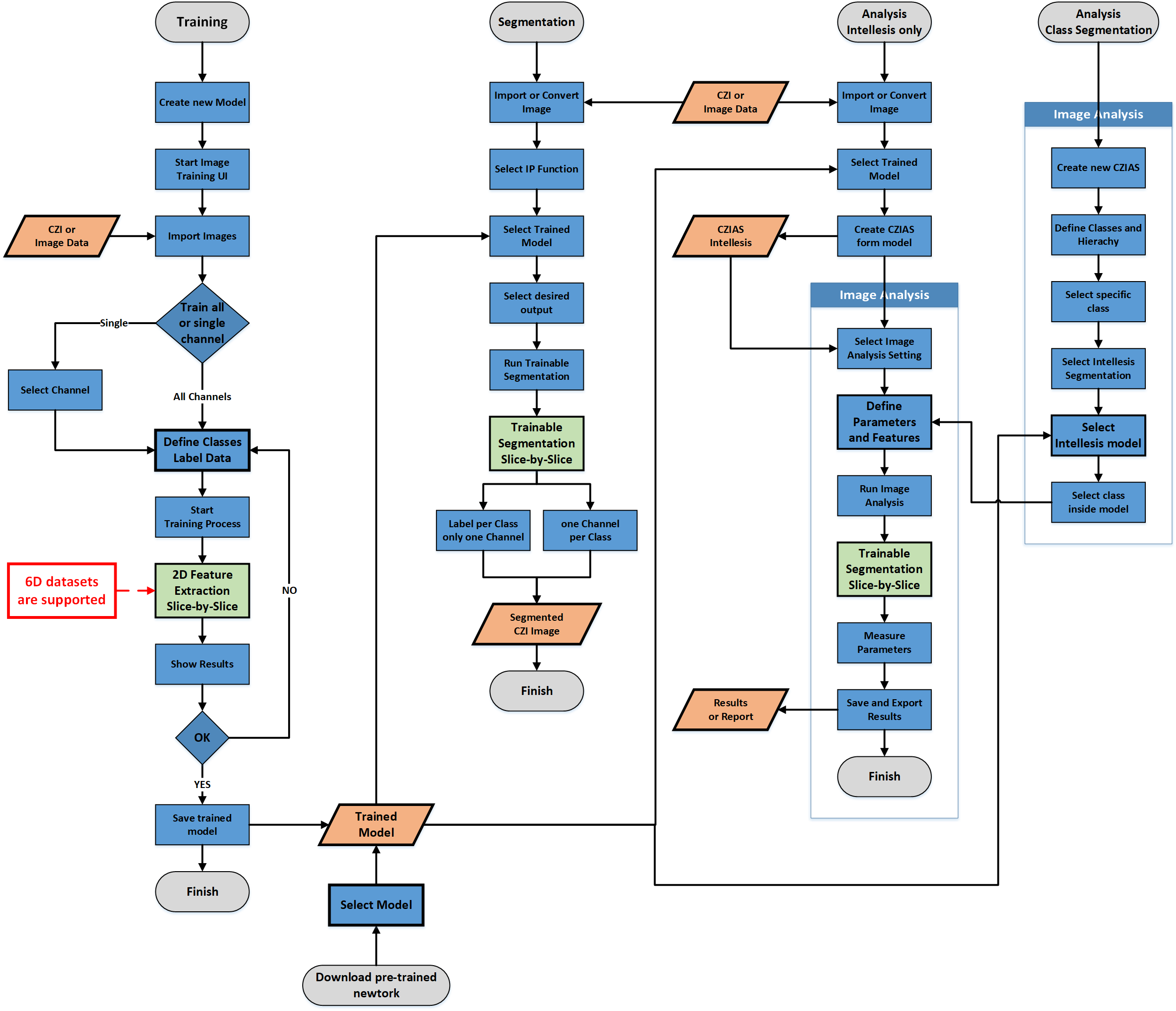
Workflow Overview for Intellesis Segmentation
Intellesis Segmentation offers three main workflows. The general workflows and the basic steps involved are shown inside the diagram.
- Labeling and training your images -> results in a Trained Model.
- Using the trained model to segment images -> results in Binary Masks.
- Using the trained model for image analysis -> results in classified pixels for subsequent segmentation and measurements of objects.
Operating Concept Intellesis Segmentation
The operating concept can be generally split into three parts:
|
|
The Training User Interface, which is accessed via Manage Templates > Intellesis Segmentation Models. Within the training user interface you can label the images to be used as input for training a specific model, see Training User Interface Intellesis Segmentation. |
|
|
The tool Intellesis Segmentation, which can be used to segment images resulting in binary masks. Those masks can be used in subsequent workflows, such as 2D or 3D analysis. The models can also be used for image processing, see Using an Intellesis Segmentation Model for Image Processing. |
|
|
The automatic creation of Image Analysis settings (*.czias), which allows you to use a trained model for automated segmentation and measurement of image data in the Image Analysis Wizard. To familiarize with the basic steps, see Using an Intellesis Segmentation Model for Image Analysis. |
FAQ/Terminology
|
Question/Term |
Description |
|---|---|
|
Machine Learning |
The Intellesis Segmentation module uses machine learning to automatically identify objects within an image according to a pre-defined set of rules (the model). This enables any microscopy user to perform image segmentation even on complex data sets without programming experience or advanced knowledge on how to set up an image segmentation. |
|
What is a "Model" ? |
A model is a collection of rules according to which the software attributes the pixels to a class. Such a class is mutually exclusive for a given pixel, i.e. a pixel can only belong to one class. The model is the result of (repeated) labeling and training a subset of the data. After the model is trained using the labels provided by the user, it can be applied to the full data set in image processing, or it can be used to create an image analysis setting (*.czias) to be used with the 2D Toolkit. In image processing the trained model can be applied to an image or data set and perform segmentation automatically. As result you will get two images, the segmented image on the one hand and a confidence map on the other. |
|
What is a "Class" ? |
A class is a group of objects (consisting of individual pixels) with similar features. According to the selected model the pixels of the image will be attributed as belonging to a certain class, e.g. cell nuclei, inclusions in metals, etc. Every model has by default already two classes built-in, because at least two classes are needed (e.g. cells and background or steel and inclusions). More classes can be defined if necessary. |
|
What is "Labeling" ? |
Instead of using a series of complex image processing steps in order to extract the features of the image, you can simply label some objects in the image that belong to the same class. Based on this manual labeling the software will attribute the pixels of the image as belonging to a certain class. In order to refine the result, you can re-label wrongly attributed pixels to assign them to another class. |
|
What is "Training" ? |
During the training process (in the Intellesis Segmentation training user interface) you can repeatedly label structures as belonging to one class, run the training, check if the result matches your expectation and if necessary, refine the labeling in order to improve the result. The result is a trained model (a set of rules) which produce the desired result when applied to the training data. With the labeled pixels and their classes a classifier will be trained. The classifier will then try to automatically assign single pixels to classes. |
|
Training UI |
The user interface for training is the starting point of the automatic image segmentation process. Here you import and label images, and train the model which you can later use for automatic image segmentation. Within this interface you can load the training data, define the classes of objects found in your data and train the classifier to assign the objects to the correct classes. |
|
What is "Segmenting" or "Segmentation"? |
Segmentation is the process of partitioning an image into segments, where each segment consists of pixels that share certain features. This involves assigning a class label to each pixel based on its features, such as color, texture, or intensity and grouping of pixels: pixels that are classified into the same class are grouped together to form distinct segments within the image. Before you can perform segmentation, the segmentation model has to be trained. Within the Training UI you train the software by labeling specific objects or structures that belong to different classes. A pseudo-segmentation is performed each time you train the model so that you see if the feature extractor works for your image. One output of the Intellesis Segmentation processing is the fully segmented image using the trained model. The second output is the confidence map, helping you assess the reliability of the segmentation. |
|
Confidence Map |
The confidence map is one of two resulting images when you apply a trained model to an image by using the processing function Intellesis Segmentation. The (resulting) grayscale image encodes the reliability of the segmentation. Areas which can be addressed to a certain class with a high confidence will appear bright, whereas areas which have a lower confidence to belong to a certain class will appear dark. The confidence is represented by a percentage value, where 0 means "Not confident at all" (dark) and 100 "Very confident" (bright). |
|
What is a "Feature"? |
A feature is a specific property of a pixel that is calculated using a predefined set of filters and processing functions. This process results in a "Feature Vector" for each pixel, which encapsulates various characteristics of the pixel. |
|
What is a "Feature Extractor"? |
A feature extractor is a pre-defined set of processing functions that is used to create the feature vector for every pixel. A specific layer of a pre-trained neuronal network can be used as feature extractor as well. |
|
Prediction |
When the model that was trained on example data is applied to a new unlabeled data set the result is called a prediction. |
|
Multi-Channel Images |
The Intellesis Segmentation module supports multi-channel data sets. It is important to understand that in case of multi-channel images every pixel can still only belong to one class, i. e. the classes are mutually exclusive. The additional information of having more than one intensity value per pixel (e.g. one for every channel) is also used for classification. Example: If you have overlapping regions A and B in the image you want to classify, consider labeling three independent classes:
|
Creating and Training an Intellesis Segmentation Model
For a good training result always note the following:
- The more accurately you perform the labeling the better the result will be. You can start with only a few annotations and then check the result for problematic areas where you should add more labels to refine the labeling.
- Fewer, more precise labels result in more accurate models than numerous imprecise labels.
- Take care to also label some areas which contain edges of objects and transitions between two classes.
- Adopt an iterative approach: review segmentation and training outcomes before labeling large quantities of pixels.
- Try to label roughly the same amount of pixels per class.
- Do not label very large homogenous areas.
- You have licensed the AI Toolkit and activated it under Maintenance > Toolkit Manager.
- You are in Manage Templates.
- In the Show dropdown list, select Intellesis Segmentation Models.
- All existing segmentation models are displayed.
- In the top right tool bar, click
. - The user interface for training opens.
- In the top left corner, click Import Images. To open an image from the archive, click Import from Archive.
- A file browser or the archive browser opens.
- Select the image for training and click Open. When loading the image from the archive, select the image and click OK.
- If the image contains more than one channel, the Select Channel dialog opens.
- For Training Mode, select either Single Channel or Multispectral. In case of single channel, select the channel you want to use for training. Otherwise all channels of the image will be used for training the model.
- Training mode and channel are selected.
- Click OK.
- All images you import need to have the same channel structure and pixel type of the initially imported image. When importing multiple images, the channel selection applies to all images.
- The image is added to the list. Note that all imported images are included in your training model.
- If you have imported an image from the archive, it is copied to the location defined under Maintenance > General Options > Intellesis.
- Select the image in the list.
- The image is displayed in the Center Screen Area. Note that you can always add more images to refine the training via Import Images.
- Define the classes based on your image and segmentation goals. You can specify the number of classes needed for your task. When initiating a new model, two predefined classes (Object and Background) are available by default. Add as many classes as you need for your segmentation by clicking Add Class.
- You have created the classes that you want to distinguish.
- To rename a class, right click on the entry, select Rename, enter a new name and click
. Alternatively, double click the name entry, enter a new one and click
, or press Enter. Note that you must not use the name Root for one of your classes as this a reserved keyword from the image analysis. - Now move the courser inside the image and start labeling the areas which you want to assign to the selected class. To label within the image simply press the left mouse key and move the mouse.

- After labeling a few areas with different classes, click Train & Segment.
- The software starts the training. The system tries to automatically recognize other areas of the same class. Depending on the image, the pixel classification can take a while. When finished the image has the additional channel Seg(menation) containing the segmentation preview.
- If you are not satisfied with the result, you can label more details of the corresponding classes. Therefore, you can zoom into the image or change the brush size of the curser. The more accurately you label the different classes within the image, the better the recognition will be. When you have finished the labeling, you have to click Train & Segment again. You can repeat that process until you are satisfied with the segmentation result.
Note that at this point as a result you only see a pseudo segmented image and only the area visible in the main window is segmented (max. area 5000 x 5000 px). For full segmentation of an image or data set, use the model in the Intellesis Segmentation tool for image processing, see Using an Intellesis Segmentation Model for Image Processing.
Editing Classes
- To add a new class to the Classes list, click Add Class.
- The classes have an arbitrary color by default.

- To change the color of a class, select the class and click on the colored rectangle next to Color.
- You see the Color Selection dialog.
- Select a new color from the list.
- To change the opacity of the labels within the image, adjust the Opacity slider.
- To rename a class, double click on the class entry and enter a new name. Press Enter or click on Save icon to save the new name. Note that you must not use the name Root for one of your classes as this a reserved keyword from the image analysis.
- To delete the selected class, click Delete Class.
Importing an Intellesis Segmentation Model
- You have a trained model or a pre-trained neural network available for import.
- Under Manage Templates > Show select Intellesis Segmentation Models.
- All models for segmentation are displayed.
- In the top right tool bar, click
. - A file browser opens.
- In the file browser, select the model file or your network from the file system. The network can also be imported by selecting the respective JSON file.
- Click Import.
- You have imported a model, and it is available in the list of segmentation models. You can now use it to segment your images or open it (e.g. for training) by double clicking on it if it was previously exported including images.
See also
Importing Labels from Binary Mask
This class-specific function allows you to import binary images from an external source as labels for the currently selected class. This is useful when the ground truth for a specific image is already available or when you wish to use a binary image obtained through a different modality as annotation for the training.
Be aware that this function overwrites existing labels for this class and that this functionality can possibly create a huge number of labels that might lead to memory issues depending on the system configuration and the selected feature extractor.
- The label image to be imported has exactly the same dimension in XY as the currently selected training image.
- You have opened the user interface for training, see Creating a New Model.
- Right-click a class and select Import Labels from Binary Mask.
- The explorer opens.
- Navigate to the label image you want to import and click Open.
- The imported image is displayed in the Image view. The displayed labels have the color of the selected class and fit exactly with the class of the loaded image.
Converting Segmentations to Labels
With this function you can convert the result of a segmentation in the Intellesis trainings interface directly to labels and thereby increase the number of labels for the next training iteration.
- You have opened the user interface for training, see Creating a New Model.
- You have performed a segmentation.
- Right-click a class and select Segmentation to Labels.
- The segmentations are converted to labels and are visible in the Labels channel. These can be further refined the brush and delete tool.
Renaming an Intellesis Segmentation Model
- You have selected a trained Intellesis segmentation model.
- Under Manage Templates > Properties click on the Pen icon.

- The Name field is now editable.
- Enter a new name for the model and save it.
Using Deep Learning Networks for Image Segmentation
In ZEN core you can use pre-trained deep learning models for semantic image segmentation. You can use models provided by ZEISS or load your own models. These models can be imported in ZEN core, see Importing an Intellesis Segmentation Model. After the import the model can be used for the following workflows:
- Segment images using the respective image processing tool, see Using an Intellesis Segmentation Model for Image Processing.
- Create an image analysis setting based on the network (no hierarchy), see Using an Intellesis Segmentation Model for Image Analysis.
- Segment a specific class in the steps of the Image Analysis Wizard, including hierarchical measurement.
- Segment a specific class in the material analysis modules for grain size, multiphase and layer thickness, see also Grain Size Analysis with Intellesis Method, Multiphase Analysis with AI and Layer Thickness Measurement with Intellesis.
Using networks provided by ZEISS
Zeiss provides some pre-trained networks for you to use (subject to change without notice). These networks are available for download on the ZEISS GitHub page for Open Application Development (OAD) and can be found inside the Machine-Learning section.
Note: These networks are copyright protected!
Condition of Use
These pre-trained networks were trained with "best-effort" on the available training data and is provided "as is" without warranty of any kind. The licensor assumes no responsibility for the functionality and fault-free condition of the pre-trained network under conditions which are not in the described scope. Be aware that no pre-trained network will perform equally good on any sample, especially not on samples it was not trained for. Therefore, use such pre-trained networks at your own risk and it is up to the user to evaluate and decide if the obtained segmentation results are valid for the images currently segmented using such a network. By downloading you agree to the above terms.
Detailed Information about pre-trained DNNs
Such networks are very specific for the application they have been trained for. Detailed information can be provided on demand.
Using your own networks
You can also train and use your own networks. To be able to use your own networks in ZEN core, your networks have to fulfill certain specifications detailed in the ANN Model Specification.
Additional information about ZEISS machine learning, including an example of how to train a model and convert it into a czmodel can be found in this Readme on GitHub. It also explains the usage of the PyPi package which is free to use for everybody.
Using an Intellesis Segmentation Model for Image Analysis
Once you have trained a model for segmentation, you can use it for Image Analysis. To use the trained model, you must first create a new image analysis (IA) setting (*.CZIAS format). To use the trained model there are two options:
- Create a new image analysis setting from the Intellesis segmentation model. This is the only option for Intellesis segmentation models trained on a multi-channel image.
- Use an Intellesis segmentation model in the Automatic Segmentation step of an image analysis setting, see Automatic Segmentation. This option is only possible for models trained on single-channel images, but allows you to create image analysis settings with a complex hierarchy.
- You are in Manage Templates.
- In the Show dropdown list, select Intellesis Segmentation Models.
- All available segmentation models are displayed.
- Right click the list entry of a segmentation model and select Create Analysis Setting.
- The setting is saved as *.czias file in the default folder for image analysis settings (usually ProgramData/Carl Zeiss/ZENCore/UserArchive/Image Analysis Settings).
- You have created an analysis setting from your segmentation model. When you have the Image Analysis tool available, you can select the settings file from the dialog. Note that the setting is only available in the dialog when you have used the default folder for saving. Otherwise, the setting must be loaded from the file system (specific location) via the import functionality. The model is loaded with the predefined classes. You can continue with setting up an image analysis using the Intellesis trained segmentation model.

Using an Intellesis Segmentation Model for Image Processing
- You have trained an Intellesis segmentation model.
- You are in Free Mode.
- You have loaded an image, for example via the Load File workbench. The image is visible in the image area.
- Add the Image Processing workbench, click + Tool, and then double-click the Intellesis Segmentation entry .

- Under Model select the desired model from the list. Ensure the model was trained on images with similar features; otherwise, segmentation may be ineffective. Additionally, the pixel types of the image and model must match, or the segmentation cannot be performed.

- Select the desired Output Format.
If you select Multi-Channel, the output will be a multi-channel image, with each class defined in the trained model represented in its own channel. This format can be easily viewed in the 3D view and seamlessly combined with the original image data.
If you select Labels, the output will be a single-channel image, where pixels corresponding to different classes are labeled with distinct colors and represented by unique pixel values.
Note: Currently such a label image cannot be displayed inside the 3D view directly without any further processing steps. - If necessary, adjust the Minimum Confidence slider. This will discard all pixels inside the resulting masks, where the confidence value is below the selected threshold.
- Click Apply.
- The automatic image segmentation using the Intellesis segmentation model is performed on the loaded image.
- When the segmentation is finished, you get two resulting images depending on the output format:
- the multi-channel or labels image and
- the confidence map.
Using an Intellesis Segmentation Model for Multiphase Analysis
Once you have a trained model for segmentation, you can use it for a Multiphase Analysis. In order to use the model, you have to create a new multiphase analysis setting (*.czias format) first.
- You are in Manage Templates.
- In the Show dropdown list, select Intellesis Segmentation Models.
- All available segmentation models are displayed.
- Right click the list entry of a segmentation model and select Create Multiphase Analysis Setting.
- The setting is saved in the default folder for analysis settings (usually ProgramData/Carl Zeiss/ZENCore/UserArchive/Image Analysis Settings).
- Go to the Home Screen and click Job Mode.
- Job Mode opens.
- Right click the multiphase job where you want to use your setting and select Edit or Copy & Edit. Alternatively, create a new job template, see Creating a New Job Template.
- The job opens.
- Go to the Load Setting step and click
. - A dialog with settings opens.
- In the dialog, select your multiphase setting and click OK.
- The trained model is now added to the multiphase analysis job.
Changing the Tile Border Size for Deep Learning Networks
Undo Border Size Changes
There is no way to undo the change of the border size unless you remember the original value and change it back with the same workflow described here.
- You are in Manage Templates.
- You have imported a deep learning network, see Importing an Intellesis Segmentation Model.
- In the Show dropdown list, select Intellesis Segmentation Models.
- All available segmentation models and networks are displayed.
- Right click on a network and select Change Border Size.
- The Change Border Size dialog opens.
- Change the Border Size to fit your needs. Note while increasing the border size reduces segmentation artifacts in the output, it also decreases the tiling speed.
- Click OK.
- You have changed the border size for tiling. If there are still tiling artifacts with the maximum border size, consider retraining the model with larger tiles.
See also
Using Intellesis Segmentation Models in OAD
Intellesis segmentation models can be applied within the Open Application Development (OAD) environment. Methods to list, import, and execute semantic segmentation models trained with Intellesis Segmentation or on arivis Cloud are available and can be used as part of automated OAD workflows.
|
Method/Command |
Description |
|---|---|
|
Zen.Processing.Segmentation.TrainableSegmentation |
Function to segment an image using a trained model. |
|
ZenImage - Defines the input image to be segmented. |
|
ModelName - Defines the name of the model. |
|
Function to segment an image using a trained model. |
|
Zen.Processing.Segmentation.TrainableSegmentationWithConfidenceMap |
Addresses the Segmentation function including a confidence map. |
|
ZenImage - Defines the input image to be segmented. |
|
ModelName - Defines the name of the model. |
|
SegmentationFormat - Optional argument; Defines the desired output format, e.g. Multi-Channel or Labels |
|
Zen.Processing.Segmentation.MinimumConfidence |
Addresses the Minimum Confidence function. |
|
ZenImage - Defines the input image to be segmented. |
|
ZenImage - Confidence map containing the confidence values in %. |
|
Minimum Threshold – value in % - only pixel inside mask >= these values will be kept. |
|
ZenIntellesis.GetAvailableFeatureSets() |
Returns all available feature sets as an array of strings. |
|
ZenIntellesis.GetAvailablePostProcessings() |
Returns all available post-processing options as an array of strings. |
|
ZenIntellesis.ImportModel (modelfile, allowOverwrite) |
Imports a model file into the model repository and overwrites an existing one, if the option was set to True. Returns a ZenIntellesisModel. |
|
File path to modelfile to be imported. |
|
Allows overwriting an existing model. |
|
ZenIntellesis.ListAvailableSegmentationModels() |
Lists all available segmentation models. Returns an array of ZenIntellesisModels. |
Remarks and Additional Information
- Segmentation performance in general depends among other factors on the system performance, the available and free RAM and GPU memory.
- Whenever using Intellesis Segmentation it is strongly recommend not to use other memory- or GPU-intensive applications at the same time.
- Deep Feature Extraction uses the GPU (NVIDIA only) if present on the system. It is recommended to use a GPU with at least 8GB of RAM.
- When installing the GPU libraries it is required to use the latest drivers which can be obtained from the NVIDIA homepage (https://www.nvidia.com/Download/index.aspx?lang=en-us).
- In case of using an approved ZEISS workstation, the latest drivers can be found on the installer.
- When using Deep Feature Extractor on a GPU system, Tensorflow will occupy only as much as GPU RAM as needed to ensure system stability. When the segmentation is finished this GPU memory is released automatically.
- Therefore, when starting another GPU-intensive application, the GPU memory cannot be used by this new process and a CPU fallback will be used or performance issues may occur.
- In this case, restart the software to free all possible GPU memory and then start using the GPU-intensive application.
Intellesis Segmentation Tool
With this tool you can apply a trained segmentation model to an image or data set.
|
Parameter |
Description |
|
|---|---|---|
|
Model |
Selects the trained model. |
|
|
Output Format |
When applying the processing to an image you always get an output image. The following output formats for the processed image are available. |
|
|
- |
Multi-Channel |
If selected, the output image will be a multi-channel image. Each class which is defined within the model will result in a separate channel. |
|
- |
Labels |
If selected, the output image will be a single-channel image in which a dedicated pixel value or color is attributed to each class. |
|
- |
Minimum Confidence |
Hides all segmented pixels where the confidence value is below the threshold set by the slider. |
See also
ON THIS PAGE
- Intellesis Segmentation
- Licensing and Functionalities of Intellesis Segmentation
- Workflow Overview for Intellesis Segmentation
- Operating Concept Intellesis Segmentation
- FAQ/Terminology
- Creating and Training an Intellesis Segmentation Model
- Editing Classes
- Importing an Intellesis Segmentation Model
- Importing Labels from Binary Mask
- Converting Segmentations to Labels
- Renaming an Intellesis Segmentation Model
- Using Deep Learning Networks for Image Segmentation
- Using an Intellesis Segmentation Model for Image Analysis
- Using an Intellesis Segmentation Model for Image Processing
- Using an Intellesis Segmentation Model for Multiphase Analysis
- Changing the Tile Border Size for Deep Learning Networks
- Using Intellesis Segmentation Models in OAD
- Remarks and Additional Information
- Intellesis Segmentation Tool







